Bedienungsanleitung HT Instruments HT7051 (Deut...
HT-511 | Hamamoto Technical
iF Design - Tür- u. Haustelefon HT 511-01 + HT ...
SSS Siedle HT 511 in 73061 Ebersbach an der Fil...
HTA 811 klingelt nicht , zuvor bei HT 511 alles...
HT 11 I - DIHR
HT11 | PDF
HAMAMOTO ハマモト HT-511 | メガネのまつい
HT-511 | 浜本テクニカル
Ht 511 Siedle Läutewerk günstig kaufen | eBay
Siedle Ht 511 01 online kaufen | eBay
Sprechanlage HT511-01 ersetzen
HT512 - HT engineering
ยางแบน ขนาด 1.0 มม. รหัส HT-511 ยางชุด ยางสำเร็...
Siedle Ht 511 01 in Türklingelanlagen günstig k...
Siedle Ht 511 01 günstig kaufen | eBay
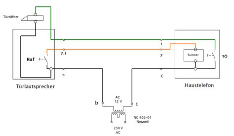
Schaltplan Ht 511 01 - Wiring Diagram
Miscellaneous » HT-11 » Stars&Stripes Westernfa...
HT581 – Doga – HEFTRONIC
HT 511 gegen HTA 811 ersetzen....
Safeguard HT 511 - Safety World
HT 511 00400 000 | PDF
HYUNDAI H-HT5111 Service Manual download, schem...