NEW 1PC STK463 SIP 2 POWER 2 CHANNEL 10 to 30W ...
1 Pcs/Lots STK461 STK463 STK465 STK-461 STK-463...
STK463_496376.PDF Datasheet Download --- IC-ON-...
STK463 Genuine Hybrid Large Image
1PCS POWER AMP IC MODULE SANYO SIP-16 STK463 ST...
Sanyo STK463 Audio-Verstärker
STK463 STK-463 INTEGRATED CIRCUIT
STK463 Datasheet PDF - SANYO -> Panasonic
STK463 SANYO Integrated Circuits (ICs) - Jotrin...
1pc STK463 Stereo Amplifier Module | Lazada
1PCS STK465 stk465 HYB16| | - AliExpress
Stk463, 8 Pin at ₹ 850/piece in New Delhi | ID:...
1PCS-LOT-Original-STK-463-STK463-STK-465-STK465...
STK463 Power Amplifier Heat Sink Compound Origi...
Stk463 1pcs | Lazada PH
STK463
Stk465 Stk463 Stk461 Stk459 Stk457 Audio Power ...
Stk463 Free Shippin Original Module - Washing M...
STK460 STK465 STK461 STK463 Shipping New and or...
New-original-Module-STK465-STK463-STK457-STK459...
STK461 Audio IC parameters, equivalents, app no...
Stk463 Modules - Integrated Circuits - AliExpress
STK463 Audio power amplifier module ic
1pcs new original STK463 STK 463 Module | Lazad...
STK-463 Datasheet(PDF) - DATASHEETBANK
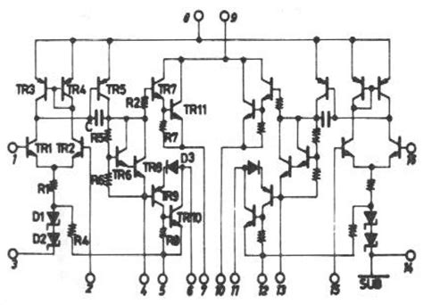
STK463 internal schematic and pinout — Postimages
1PCS NEW STK463 STK465 STK-463 STK-465 HYB-16 S...
Semiconductor: STK463 (STK 463) - 2-POWER 2-CHA...
STK463 STK 463 2PCS/LOT Free Shipping Electroni...