Руководство по эксплуатации с2000 сп4 220 - Ruk...
С2000-СТ исп.04 Болид Охранный поверхностный зв...
Новый сигнально-пусковой адресный блок «С2000-С...
С2000-4 Болид Прибор приемно-контрольный купить...
С2000 Сп4 220 Инструкция - importgroup
Купить С2000-СП2 исп. 02 Блок сигнально-пусково...
Чем вообще можно управлять при помощи «С2000-СП4»
С2000-СП4/220, Блок сигнально-пусковой адресный...
Реконструкція СПЦ- 2 МС 4, ПАТ "Арселор Міттал"...
Сп 40.02.2000 проектирование и монтаж трубопров...
Блок сигнально-пусковой адресный С2000-СП2
С2000 СП4/24 исп.01 Встроенный изолятор коротко...
С2000 Сп4 220 Инструкция - rccspb
С2000-СП2 исп.02 Блок сигнально-пусковой адресн...
Болид С2000-м сп4/220 сигнал-10 сигнал-20м с200...
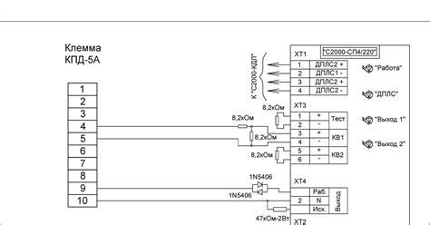
С2000 СП4-220 и КПД-5А исп.03 | Пикабу
Броеве | СИП 2000 - Списание Училищен счетоводител
Пистолет-пулемет ПП-2000 прошел рекордный тест ...
Блок сигнально-пусковой адресный С2000-СП2 исп....
НП-024-2000 Требования к обоснованию возможност...
С2000-СП4/24 релейный блок Болид - купить в СПБ...
С2000-СП4 (С2000-СП4/24, С2000-СП4/220 ) Блок с...
С2000-СП4/220 Блок сигнально-пусковой адресный ...
Начало поставок новых сигнально-пусковых адресн...
С2000-4 Блок приемно-контрольный охранно-пожарный
С2000-М 4.1 выгорел. Восстановить конфигурацию....
Блок приемно-контрольный охранно-пожарный С2000-4
С2000-СП4/24 исп.01
Расскажем о С2000 сп2 для чего нужен
С2000-СП4/220 исп.01 купить с доставкой по Каза...
С2000-4 Болид - блок приемно-контрольный охранн...