TLE7209-2R Datasheet by Infineon Technologies |...
TLE7209-2R SOP-20 RH 5052406453244 | eBay
TLE7209-2R by Infineon Technologies Datasheet |...
TLE7209-2R datasheet(10/32 Pages) INFINEON | 7 ...
آی سی TLE7209R مخصوص ECU - ولتاتک
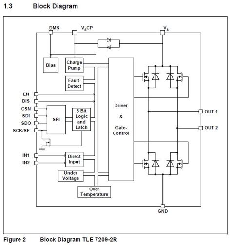
TLE7209-2R datasheet(1/32 Pages) INFINEON | 7 A...
TLE7209-2R datasheet(6/32 Pages) INFINEON | 7 A...
TLE7209-2R Original supply, US $ 0.1-10 , [Infi...
TLE7209-2R datasheet(3/32 Pages) INFINEON | 7 A...
TLE7209-2R datasheet(21/32 Pages) INFINEON | 7 ...
5pcs/lot TLE7209 TLE7209R TLE7209 2R SOP 20 Int...
TLE7209-2R Original supply, US $ 0.95-1.15 , [I...
Module TLE7209 2R TLE7209R TLE7209 HSOP20 AN678...
3pcs TLE7209-2R TLE7209R Original New automotiv...
5pcs/lot TLE7209 2R TLE7209R TLE7209 HSOP 20 IC...
TLE7209-2R datasheet(8/32 Pages) INFINEON | 7 A...
TLE7209-2R SOP-20 IC 7A H-Bridge DC-Motor Appli...
TLE7209-2R TLE7209R Commonly used idle throttle...
New-10pcs-lots-TLE7209-2R-TLE7209-SOP-In-stock.jpg
Freeshipping TLE7209 TLE7209R TLE7209 2R|freesh...
TLE7209 R Infineon | PDF | Electricity | Inform...
2pcs TLE7209-2R TLE7209R SOP-20 TLE7209 TLE 720...
5pcs/lot Tle7209-2r Tle7209r Tle7209 Sop20 Car ...
TLE7209-2R datasheet(4/32 Pages) INFINEON | 7 A...
TLE7209-2R chip-ECUexplorer
TLE7209-2R Datasheet(PDF) - Infineon Technologi...
New original 10PCS New and Original TLE7209 SOP...
TLE7209-2R | MOTIX™ TLE 7209-2R is a full H-Bri...
TLE7209-2R Original supply, US $ 1.7-2.3 , [Inf...
Infineon TLE7209-2R Original | Shopee Philippines