Fujitsu Esprimo P758 – Specs and upgrade options
Produkte • feno
Ремонтно-восстановительная присадка к трансмисс...
FN758
Восстановитель герметичности механической транс...
Product
Купить Рекондиционер для механических трансмисс...
Реметаллизант FENOM - купить по выгодным ценам ...
FN258-75-34 Price & Stock | DigiPart
FN1058
FN578
Fenom FN079 Восстановитель герметичности механи...
FN807
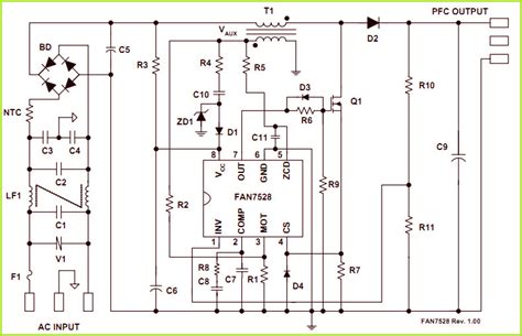
FAN7528
FN258-7-29 by SCHAFFNER - Buy Or Repair - Radwe...
Fenom FN1236 Очиститель инжекторов 250мг
FN079 Герметик КПП механической 200мл FENOM - F...
FN5658 — Postimages
FN3258-7-44 Schaffner EMC Inc. | Filters | DigiKey
FN3258-7-45 Schaffner EMC Inc. | Filters | DigiKey
NF01-FN258-16-07 - LinMot e-Catalogue
Fendt 728 Gen7 Profi+ mit Lemken Zirkon 8 & Sap...
FN3258-75-52 RFI/EFI/EMI Noise Filter by SCHAFFNER
Fenom FN125N
FN0187/27/5 - VBR Turbine Partners
FN508
FESTO 19758 SINGLE SOLENOID VALVE WITH COIL - P...
FN548
SHAFFNER FN3258-75-34 | Available in Stock in I...
Qualität • feno
,,NOWY NABYTEK" FENDT 728 VARIO 7GEN #shorts - ...