OS100 Четырех канальный Осциллограф
Простой 4х канальный осциллограф для диагностик...
4х канальный осциллограф Hantek DSO4254C - YouTube
Осцилограф — Осциллографы - SkyLots (6594300685)
Осциллографы (Фото И Т.д. И Т.п.) - Страница 5 ...
Цифровой осцилограф
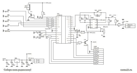
Осциллограф на трех транзисторах - 26 Февраля 2...
Осциллограф | это... Что такое Осциллограф?
Помогите выбрать недорогой осциллограф новичку ...
Осциллограф - Описание, функции, предназначение
Выбор осциллографа: на что обратить внимание - ...
Осциллограф недоволен-_- | Пикабу
Осциллографы - 20 самых важных характеристик!
Цифровой Осциллограф 2 канала 100 МГц ЖК-диспле...
Осцилограф | Пикабу
20 самых важных характеристик осциллографов!
Улыбающийся осциллограф | Пикабу
Осциллограф: что это, какие бывают, что измеряю...
Осцилограф, б/у, в наличии. Цена: 4 000₽ во Вла...
Осциллографы. Виды. Структурная схема осциллогр...
Осциллограф С1-5, Научите Пользоваться. - Песоч...
Свч осциллограф
Продаю осциоллограф — DRIVE2