Фланец свободный стальной нержавеющий AISI 304 ...
Купить фланец стальной свободный Ду200 PN16
Свободные фланцы стальные: Фланец стальной своб...
Фланец свободный стальной 80-10-02-1-B-IV - куп...
Фланец Стальной Свободный Купить в Минске | Акв...
Фланец стальной свободный Ду 200 мм Ру 2,5 МПа ...
Фланец стальной купить в Минске
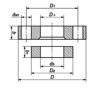
Что такое свободный фланец на приварном кольце?...
Купить фланец стальной свободный для ПЭ втулки ...
Фланец стальной свободный купить в Минске
Фланец свободный стальной цена от производителя
Фланец свободный стальной DN500 РN25 — Armas71.ru
Фланец стальной приварной, цена, купить Киев - ...
ГОСТ 12822 80 фланец стальной свободный на прив...
Фланец стальной свободный Ду-65 для ПЭ труб и в...
Фланец стальной свободный Ду 65 мм Ру 1,6 МПа с...
Фланец что это такое? ГОСТы, типы соединения, р...
Фланец свободный стальной Ду-400 Ру-16 ГОСТ 128...
Фланец свободный стальной 1-200-16 ГОСТ 12822, ...
Фланец Стальной Плоский Свободный РУ10, Купить,...
Фланец стальной свободный Ру-6, Ду-50х78 (63). ...
Фланец Стальной Свободный Ду100 Купить в Москве...
Стальной свободный фланец, Wavin Ekoplastik | L...
Фланец свободный стальной Dn 90/80
Стальной свободный фланец Ekoplastik PRI090NXXX...