T-3510 Steenzaagmachine
TDA3653 TDA3591 TDA3592 TDA3612 TDA3651 TDA3654...
tda1510 (image)
TDA3510_710080.PDF Datasheet Download --- IC-ON...
5-TDA3810-A3810-DIP-18.jpg
IC TDA3510-Vikiwat
TDA1030 10pcs|10pcs| - AliExpress
TDA5210 video-1 - YouTube
TDA5101A_6983759.PDF Datasheet Download --- IC-...
TDA4510 купить в Санкт-Петербурге цена 30,00 Р ...
10PCS TDA2003 TDA2030 TDA2005 TDA2050 LM317T IR...
TDA3560 NOS
T3510 (3) — Postimages
1pcs-lot-TDA8510J-TDA8510-ZIP-17-In-Stock.jpg
TDA 7010 T
Selling TDA3508, TDA3510, TDA3520 with TDA3508,...
TDA3510 IC Chroma Amp AGC – KP Components Inc.
10 pieces TDA2030 TDA2030A TDA2003A TDA2050A TD...
TDA3710 Original Philips Semiconductor | eBay
TA-3510--东莞市元迪电子有限公司
TDA3810 PHILIPS Other Components - Veswin Elect...
TDA1010A Datasheet(PDF) - List of Unclassifed M...
TEDEA 3510
Semiconductor: TDA3810 (TDA 3810) - STEREO/PSEU...
Screw Terminal Board / Component Holder - Winfo...
TD35010_5031199.PDF Datasheet Download --- IC-O...
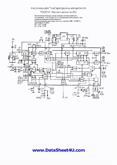
TDA3510 Video decoder-encoder Circuit .PAL Deco...
TDA1010 datasheet(19/22 Pages) PHILIPS | 6 W au...
TDA 3500, Tube TDA3500; Röhre TDA 3500 ID64920,...
TDA1310
TDA1510
TDA7310 datasheet