Главная
»
Расширители арок cf moto z8
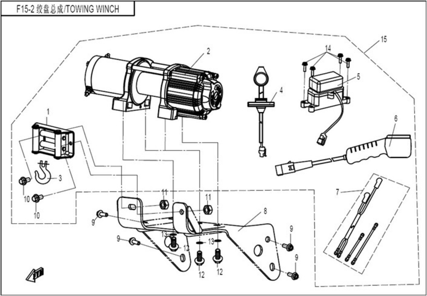
NÁHRADNÉ DIELY CF MOTO Z8 - Navijak