Схема проводки поворотов ваз 2106 - New Lada
Электропроводка ваз 2106 схема эл проводки • Са...
Все электросхемы ваз 2106
Электропроводка 2106 подробная схема
Схема ваз 2106 проводка: Схема электрооборудова...
ВАЗ 2106 схема проводки для новичков
Проводка Москвич 2141 (двигатель от ВАЗ 2106) П...
Проводка ВАЗ 2106 нового зразка комплект (Євро)...
Схемы электрооборудования ВАЗ 2106
би-ксеноновая проводка своими руками за 30 мину...
Схема проводки ваз 2106 карбюратор
Схема электрооборудования на ВАЗ-2106 – пособие...
Проводка ВАЗ 2106, задняя к-кт – фото, отзывы, ...
Проводка 2106 комплект – купить с доставкой по ...
Проводка ВАЗ 2106 — Купить Недорого на Bigl.ua ...
Схема электрооборудования ваз 2106 цветная с оп...
Схему Подключения Проводки На Ваз 2106 - specif...
Схема электрооборудования ВАЗ 2106 — Lada 2106,...
Приборы ваз 2106 схема подключения
Проводка ВАЗ 2106 багажник 20006-5 - цена Украи...
Проводка ВАЗ 2106, полный к-т, 2106-3724008/403...
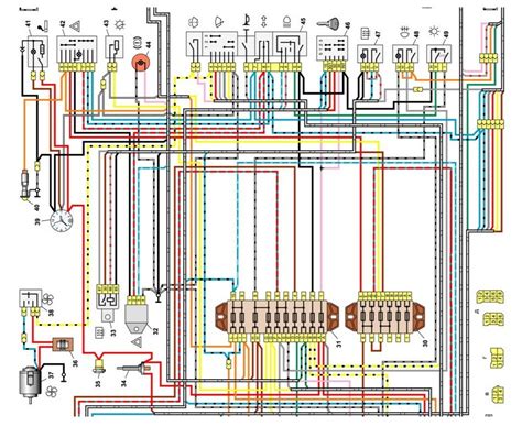
Схемы проводки ВАЗ 2106 - подробное описание цв...
Электронная схема ваз 2106
Как подключить генератор ваз 2106 к проводке
Как распиновка проводки на ваз 2106 - Электроте...
Электросхема ваз 2106 - схема электрооборудования