Nippur Electronics - Home
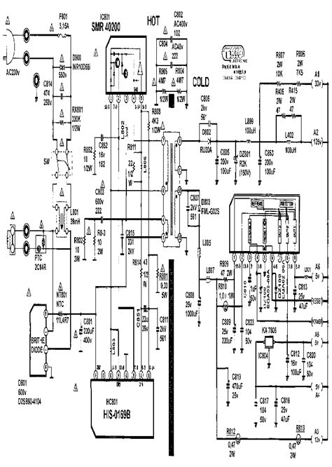
SMR40200C и HIS0169. Практика замены.
SMR40200 C HIS0169 SAMSUNG SMR40200-C + HIS0169...
1 pieza SMR40200C SMR40200 SMR 40200C TO3P 5 nu...
Smr40200c схема блока питания
304 Stainless Steele Nut And Bolt Kit - Buy 304...
Збірка SMR40200C (плата заміни)
HIS0169C HYBRID IC - Ulutaş Elektronik
SMR40200C,to-3o-5 Original supply, US $ 0.75-0....
SMR40200_138102.PDF Datasheet Download --- IC-O...
SMR40200 TO3P 5 integrated circuit SMR40200C 10...
SMR40200C KIT с TDA4605 в Части и Платки в гр. ...
HIS0169C
2pcs SMR40200C SMR40200 SMR 40200C TO3P 5 new o...
5PCS/LOT SMR40200C|Contactors| - AliExpress
Микросхема SMR40200C KIT green (комплект) (ID#2...
SMR40200C kit
Smr40200c Smr 40200c 5pcs/lot - Tool Parts - Al...
Semiconductor: SRM40200 (SRM 40200) - IC SAMSUN...
Мікросхема SMR40200C (відновлена)
Купить Sanken smr40200c в интернет-магазине с б...
INTEGRATED HIS0169C (INTEGRATED POWER CIRCUIT)
SMR40200C KIT | AliExpress
Митино S-10/Радиодетали/Электронные компоненты/...
Circuit intégré SMR40200C-KIT1. Avtronic
Микросхема HIS0169C SIP-7, купить в Самаре, выг...
HIS0169C SANYO Other Components - Veswin Electr...