Регулятора хода электродвигателя на микросхеме ...
Духовой шкаф Bosch HBA74R252E - схема встраиван...
Встраиваемый холодильник Beko Diffusion BCHA275...
Bedradingschema – MOTO GUZZI V50 NATO
Схема (деталировка) углошлифовальные машины сет...
2 Програма роботи
TSF-radio:
Встраиваемая микроволновая печь Bosch BFL520MS0...
Building an (almost) RCA OP6 Mic Preamp | Prese...
รีวิวตู้เย็น Beko BCHA 2752 S: ข้อดี / ข้อเสีย,...
Bedienungsanleitung Beko BCHA2752S (Deutsch - 8...
Встраиваемая микроволновая печь Bosch BFL520MB0...
Схема встраивания для духового шкафа Gorenje BO...
Схема подключения платы bms 2s - 97 фото
Цифровые Микросхемы 572Пв5,2,6, 7106, 7107... ....
Beko BCHA2752S, BCSA285K2SF, BCSA285K2S, BCHA27...
Кликните для закрытия картинки, нажмите и удерж...
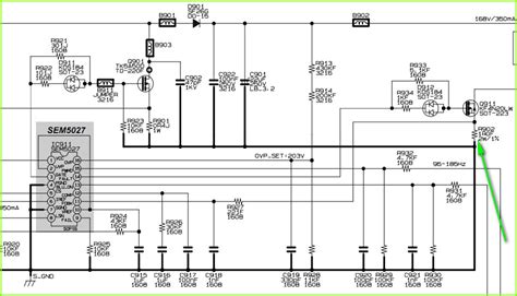
SEM5027 как ограничить ток подсветки | Секреты ...
Схема зарядное устройство Bosch GmbH D-70745 - ...
Beko bcha 2752 s схема встраивания
Схема регулируемого БП - Страница 2 - Дайте схе...
Встраиваемая микроволновая печь Bosch CMA585MS0...
BEKO BCHA275K2S INSTALLATION INSTRUCTIONS MANUA...