LPC-20-700
LPC-20-350 Mean Well - Datasheet PDF & Technica...
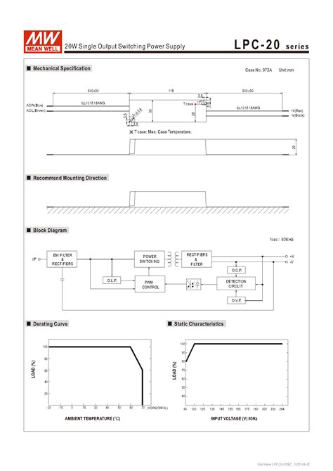
MEAN WELL LPC-20 LPC-20-350 LPC-20-700 MEANWELL...
SEM images of a LPC-700, b LPC-800 and c LPC-90...
LPC-20-700 Захранващо устройст LPC-20-700 Захра...
LPC-20-700 - Mean Well - LPC20700 - datasheet
Mean Well LPC-20-700 | Same Day Shipping — TRC ...
Mean Well LPC-20-700, AC-DC Single Output Mix M...
LPC-20-700 MEAN WELL USA Inc. | Power Supplies ...
Meanwell LPC-20-700 price and specs IP67 Power ...
Mean Well Lpc-20-700 20w 700ma Constant Current...
Lpc-100-700 MEAN สวิตช์พาวเวอร์ซัพพลาย 700mA 10...
Mean Well IP67 LPC Power Supply (LPC-20) LPC-20...
LPC-20-700 Datasheet(PDF) - Mean Well Enterpris...
LPC-20-700 MEANWELL AC-DC Single output LED dri...
Meanwell LPC-20 price and datasheet 20w Power S...
LED درایور LPC-20-700 - Meanwell-power
LPC-20-700 Konstantstrom Netzteil (CC) 20W 700mA
LPC-20-700 Mean Well LED drivers, 20W - elpro E...
Bộ nguồn meanwell LPC-20-350, LPC-20-700
Ispravljač LPC-20-700
LPC-20-700 - Lumenet
Lpc 20 700 – LPC-20-700 / MEAN WELL – i-FlashDr...
LPC-20-700 - Mean Well - LED Driver, 21 W, 30 V
MEAN WELL LPC-20-700
Mean Well Lpc-20-700 20w 700ma Led Driver 20w L...
LPC-20-700 Driver MeanWell | Illuminer Led Mexico