Установка электрокотла. Установка электрокотла ...
Автоматика для электрокотла своими руками: Авто...
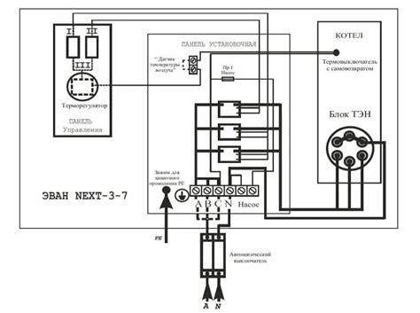
Схема подключения автоматики для электрокотла
Электрокотел для отопления частного дома 200 кв м
Контроллер MyHeat GO! для газового и электрокот...
Схема подключения электрокотла zota
Подключение электрокотла в систему отопления
Как выбрать электрокотел для отопления частного...
Розетка для электрокотла 220в
Схема подключения терморегулятора к котлу
ᐉ Терморегулятор для электрокотла Terneo BeeRT ...
Схема подключения электрокотла: особенности, ус...
Монтаж электрокотла своими руками
Схема подключения электрокотла - особенности об...
Плата для электрокотла - купить для котлов и во...
Схема подключения электрокотла — надежная защит...
Контроллер электродного электрокотла с суточно–...
Принцип работы электрической схемы электрокотла...
Автоматика для электрокотла своими руками схема
Автоматика для электрокотла своими руками – эта...
Схема подключения электрокотла в частном доме -...
Схема подключения электрокотла к электросети 6 ...
Контроллер MyHeat Pro для газового и электрокот...
Контроллер MyHeat GO!+ для газового и электроко...
Схема подключения электрокотла
Принцип работы электрокотла: критерии выбора
Подключение электрокотла: схемы, инструкции, ре...