2P4M SCR Pinout, Features, Equivalent & Datasheet
2P4M SCR Pinout, Features, Equivalent Datasheet...
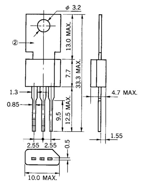
2P4M SCR: Datasheet, Pin and Circuit
Kehe 2p4m To126 Transistor 2p4m Ic - Buy 2p4m,2...
2P4M_type_YA | 3D Warehouse
ASEMI代理韦达可控硅2P4M参数,2P4M图片,2P4M大小...
200pcs 2P4M 2A/500V Free shipping -in Replaceme...
2P4M SCR: Datasheet, Pin And Circuit, 43% OFF
NEC2P4M NEC 2P4M 2P4M-AZ 2P4M Power Transistor ...
2P4M Datasheet : 2p4m To126 Scr Datasheet And R...
2P4M PDF - 2A / Passivated Process Thyristor
2p4m To-202 2p4 2a 400v 50pcs/1lot Free Shippin...
2P4M
Free shipping 100PCS 2P4M TO 202 Best quality-i...
Transistor TR 2P4M 2P 4M ORIGINAL ORIGINAL | Sh...
2P4M中文资料_最新报价_数据手册下载_FUXINSEMI(富...
2-ПН-4М [#125212] - Галерея - ВПК.name
2PM14K4WA1 4-Pin Circular Connector for Russian...
2P4M Nec Integrated Circuits at Rs 2.40/piece |...
SCR 2P4M~ 2P6M : 네이버 블로그
2P4M Original New Nec Transistor | eBay
2P4M datasheet(1/3 Pages) THINKISEMI | 2.0 Ampe...
2P4M datasheet(4/6 Pages) NEC | 2A PLASTIC MOLD...
Semiconductor: 2P4M (2P 4M) - THYRISTOR 400V / ...
2P4M_3375007.PDF Datasheet Download --- IC-ON-LINE
Electronics On Sale Newly Offered 2p4m Transist...
NFC2P4M DIP Scr 2p4m, For Electronics at best p...
2P4M-ASEMI代理伟达原装单向可控硅2P4M - 哔哩哔哩