220V elektrický vzduchový kompresor: přehled mo...
Электро компрессор на 220 вольт: Воздушные комп...
Компрессор 220 вольт купить - цена Украина, Кие...
Трансформатор 220 към 100 за климатици в Електр...
Компрессор воздушный Magnat 220в: 155 000 тг. -...
PRIJENOSNI ELEKTRIČNI KOMPRESOR 220 VOLTI - Spo...
Двигатель на электро компрессор 220 в - Вместе ...
Компрессор NORDBERG 220 В NC25/220 - выгодная ц...
22 220- 200 LT HAVA KOMPRESÖRÜ 220 VOLT - 958.3...
Компрессор 4,0МК-20/220 (УКЗ) | Мембранные комп...
Електродвигател 220 V | Stopanstvoto - консумат...
Электродвигатель для компрессора 220В, 50 гц ку...
Аренда КОМПРЕССОР ПОРШНЕВОЙ REMEZA 220 ВТ
Компрессор 220В в сумке (35 л/мин., 6 АТМ, от с...
Компресор за въздух 1.5kW 220 в минута 24 25 ли...
Маленькие компрессоры воздушные 220в: Купить ми...
Компрессор поршневой газовый 2ГП-2/220М - цена ...
компрессор воздушный 220В - купить с доставкой ...
Автомобилен компресор с манометър, 250 Psi, зах...
Kompressor-Elektri 220V-200L/min - Kopli Rent OÜ
ЕЛ. АВТО КОМПРЕСОР за 12V и 220V в Аксесоари и ...
Компрессоры воздушные 220в мини: Купить в Москв...
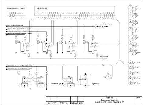
Электросхема компрессора 220в - Схемы
Kompresor 220V (14296) - Educol
220 вольт компрессор воздушный: Воздушные элект...
Купить Однофазные компрессоры 220 вольт от 6 52...