Генераторы С Регулировкой Длительности И Скважн...
Генератор импульсов с регулировкой частоты и ск...
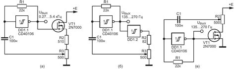
Генераторы импульсов регулируемой частоты с исп...
Схемы простых генераторов импульсов: фото и таб...
Низкочастотный генератор импульсов с дискретной...
Генератор импульсов с независимой регулировкой ...
Генератор импульсов с регулировкой для спидомет...
Генератор с регулировкой частоты и скважности и...
Генератор прямоугольных импульсов схема
Схема генератора скважности
РадиоКот :: Генератор импульсов с независимой р...
Генератор импульсов схема
Схема генератора частоты с регулировкой частоты
Генератор импульсов с электронной регулировкой ...
Генератор импульсов регулируемой частот своими ...
Генератор импульсов 555 с регулировкой частоты ...
Генератор с независимой регулировкой ширины и ч...
Генератор на TL494 с регулировкой частоты и скв...