Блок питания принтера epson схема
Epson отказывается от картриджей для принтеров ...
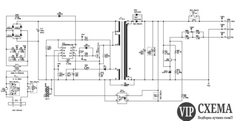
Переделка блока питания EPSON FX-1170 - Источни...
Купить Сетевой модуль B12B808451 для сканеров E...
Как открыть блок сканера epson
Epson tx659 блок сканера блок питания: 500 грн....
Блок Питания От Принтера Epson Stylus Color 440...
Купить Комплектующие для сканеров Epson 1.5A Ep...
Экспресс метод прочистки печатающей головки уст...
Инструкция по промывке печатающей головки (ПГ) ...
Картриджи Epson для принтеров — купить по низко...
Ремонт блоков питания принтеров эпсон
Epson l210 блок питания схема — купить по низко...
Картриджи для ленточного принтера epson маркира...
Переделка блока питания epson
Как открыть блок сканера epson l222 чтобы извле...
Универсальный блок питания EPSON PS-180 для при...
Блок питания Epson EPS-24E (от принтера, для са...
Набор картриджей Epson
Блок питания **Epson 24 в-2 а** — купить в Крас...
Почему “сгорают” печатающие головки на принтера...
Кабель питания для сканера epson v330 — купить ...
Блок питания Epson Canon Hp Delta Санкт-Петербу...
Блок питания для принтера чеков EPSON, трансфор...
1410 epson где предохранитель f2 находиться
Адаптер, блок питания сканера Epson купить в Са...