Ж 12 Фото — Bluemorphotours.ru
пункт 12.2 пдд - правила парковки в Москве 2017...
Пжд 12 кВт 12/24v купить в Кемерово | Авито
ПТРК HJ-12. Китайский ответ передовым зарубежны...
Блок управления ПЖД12Б (24В) (для ПЖД с 2020 г....
Отопитель ПЖД12 - Автозапчасти и автоХитрости
12 - ЕП - ПСЗ | PDF
Инспектори от РЗИ и пушещата Сю се включиха в п...
Свеча для ПЖД, подогревателя предпускового жидк...
12 - ПГЕ "Джон Атанасов" гр. Стара Загора
Экзаменационные билеты ПДД
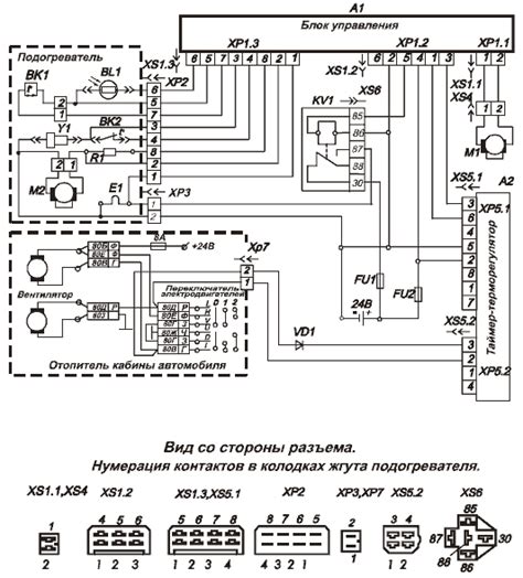
Пжд 12б схема подключения - 92 фото
Пжд 12 вольт 6 кВт купить в Красноярске | Авито
Lexikon der Wehrmacht - 12. Panzer-Division
"Вспомним ПДД?" Часть 12 | Пикабу
ДБ12 | PDF
Задатчик импульсов ЗИ 12-01 ПЖД-8 ШААЗ / Интерн...
Применение подогревателя ПЖБ-12 | Устройство ав...
Пжд webasto 12 вольт 5 Квт купить в Острогожске...
PD12 คาสิโนออนไลน์ สล็อตออนไลน์ ครบวงจร - pd99fifa
Установка подогревателя ПЖД-12 КамАЗ-53228, 65111
Купить Мокрый фен/ПЖД 12V/24V с дистанционным п...
П 12-12/2 купить от производителя | Завод ЖБИ К...
Предпусковые жидкостные подогреватели 12 кВт/ п...
Предпусковой подогреватель двигателя пжд 12 В к...
ПД-12 (Плиты днища колодцев ПН-12) — ПроЖБИ
Названа дата летных испытаний двигателя ПД-12В
Предпусковой жидкостный подогреватель 12 вольт ...