СВЧ-печь Samsung MW-73VR-S - Санрайз Липецк | И...
Микроволновые печи «Самсунг „Свитхарт“»
Особенности СВЧ Samsung | Samsung РОССИЯ
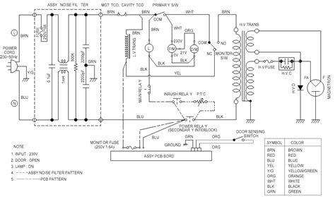
Схема me
Новые микроволновые печи Samsung поступают в пр...
Части от микровълнова фурна Samsung Други готва...
Печь СВЧ | Сделай сам своими руками
Купим СВЧ печи оценим по фото и выкупим в день ...
Больше 10 раз сгорал предохранитель в печи СВЧ ...
Индукционна печка Самсунг за ремонт Печка, фурн...
Самсунг Микроволновая Печь Инструкция - instruc...
Микроволновые печи - каталог моделей СВЧ-печей,...
Обзор микроволновой печи SAMSUNG - YouTube
Микроволновая печь самсунг – купить в Симферопо...
Инструкция Свч Печь Самсунг - prikazchef
СВЧ-печь Samsung C-100R-5 - Санрайз Липецк | Ин...
Микроволновая печь Samsung не греет. Диагностик...
Обзор новых духовок Samsung c двойной дверцей -...
♻️Обслуживание🔥СВЧ печи Samsung. Замена преобра...
Продам микроволновую печь SAMSUNG: 2 500 грн. -...
Готовьте в своем стиле | Интерьерные микроволно...
СВЧ-печь Samsung CE-1180GBR / BWT - Санрайз Лип...
Мікрохвильовка самсунг ,samsung: 600 грн. - Мік...
Продам микроволновую печь от Самсунг/Samsung
Ремонт микроволновых печей Samsung | Сервис СВЧ...
Инструкция Микроволновая печь (СВЧ) Samsung MC2...
Микроволновка SAMSUNG дымит. СВЧ Самсунг запах ...