Как поменять задний габарит на киа спектра
Киа оптима замена лампы ближнего света - 81 фото
Лампы Киа Спортейдж 3: замена лампочек ближнего...
Замена лампы ближнего света на Киа Спектра: как...
Лампа ближнего света "Киа Спектра": особенности...
Как разобрать фару киа спектра?
Как поменять лампочку ближнего света на киа спе...
Как на Киа Спектра поменять лампочку ближнего и...
Какие лампочки стоят на Киа Спектра, замена ламп
Новые лед лампы в ближний свет — KIA Spectra, 1...
Как заменить лампы ближнего света на Киа Сид - ...
LED лампы ближнего света (2шт) KIA K5 III (TF) ...
Киа церато 3 как правильно вставлять патрон лам...
Панель приборов киа спектра: замена лампочек дл...
Как заменить лампы ближнего и дальнего света на...
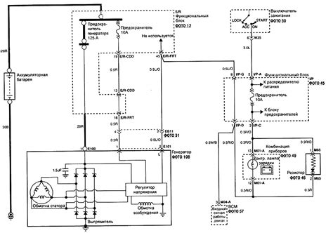
Киа спектра схема ближнего света 60 фото - wFor...
Киа оптима лампы ближнего света » драйв - всё п...
Перегорают лампы ближнего света киа рио 3 - TDF
Лампы (лампочки) Киа Сид ED (1 поколения): заме...
Киа спектра лампа ближнего света какие лучше по...
Лампы применяемые Киа Спектра: описание, выбор,...
Замена лампы ближнего света киа церато 3 своими...
Замена лампы ближнего света на Киа Оптима (KIA ...