Киа рио схема абс
Киа рио схема абс - фото
Предохранители и реле в киа рио 2
Где находится датчик температуры Kia Rio — авто...
Киа рио 2 блок абс | Festima.Ru – частные объяв...
Датчик кислорода №2 — KIA Rio X-Line, 1,6 л, 20...
Барабан ступица с абс Киа Рио 2 Jb купить в Кра...
Блок абс на Киа Рио 2 2009 года | Festima.Ru - ...
Киа рио 2 замена датчика скорости - 85 фото
Киа Рио 3 датчик абс задний левый Москва | Авто...
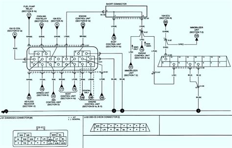
Электрические схемы Киа Рио 2 (2005-2011)
Где стоит датчик удара подушек безопасности на ...
Киа рио срабатывает абс - 81 фото
Датчик АБС Киа рио 1.3 1.5 Kia RIO седан (DC_) ...
Датчик abs абс передний левый Киа Рио 3 Kia Rio...
ABS SENSOR REAR RIGHT FOR KIA RIO II 2005-2011 ...
Предохранители и реле в КИА Рио 2
Замена датчика ABS — KIA Rio X-Line, 1,6 л, 201...
Kia Rio ABS Sensoren voorraad | Onderdelenlijn.nl
На приборной панели одновременно горят 3-и знач...
Абс киа рио 2 поколения
Киа Рио. Датчик измерителя расхода воздуха. KIA...
Киа рио схема стоп сигналов - TDF
Купить Датчик ABS (АБС) KIA RIO II (Киа Рио 2) ...