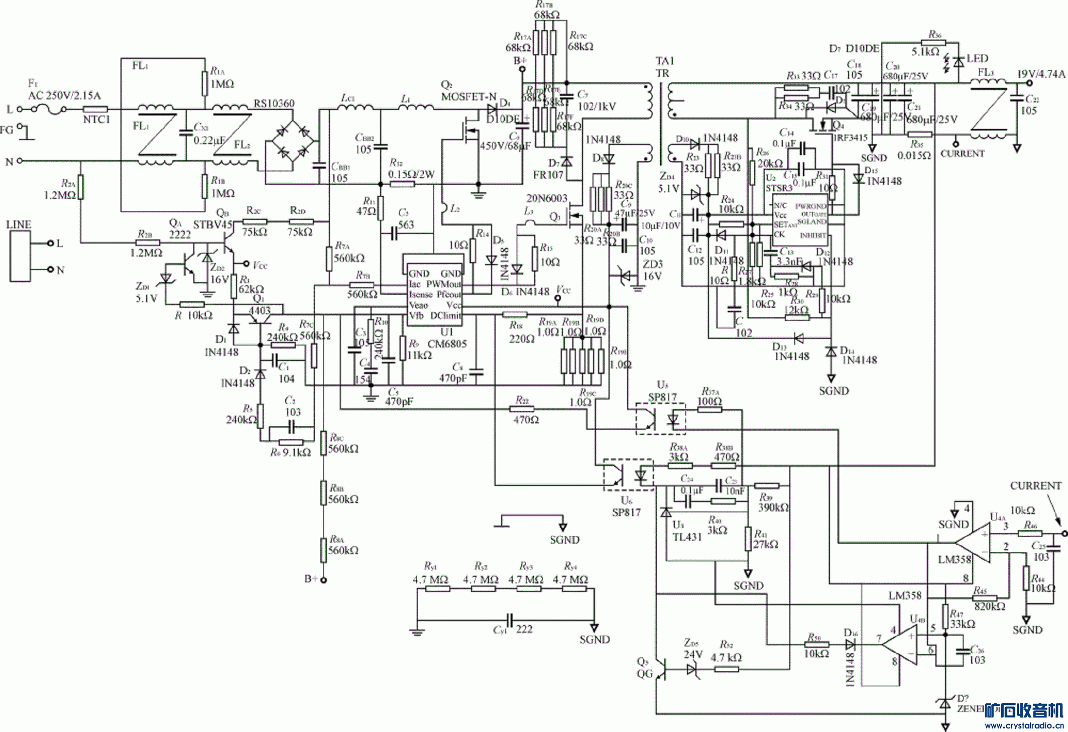
请教一下这个电阻阻值多大 - 〓基础知识普及〓 - 矿石收音机论坛 - Powered by Discuz!

请教一下这个电阻阻值多大 - 〓基础知识普及〓 - 矿石收音机论坛 - Powered by Discuz!